Estamos exibindo produtos para a sua região.

Informe seu CEP para ter uma melhor experiência.

Boas Vindas!

  • Entre ou Cadastre-se
  • Pedidos de Loja On-Line
  • Atendimento
extra.com.brAgro, Indústria e ComércioMovimentação de CargaVentosas

Kit C/ 100 Vedante Aço C/ Arruela Couro 3/4 Inca

(Cód. Item 1545853421)

Outros produtos Metalurgica Inca

Infelizmente não temos estoque do produto que você está procurando no momento.

Avise-me quando chegar

Também desejo receber emails de promoções e lançamentos

Você será avisado quando este produto ficar disponível!

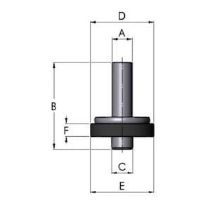
Kit C/ 100 Vedante Aço C/ Arruela Couro 3/4 IncaVEDANTEAPLICAÇÃOUtilizados em alguns modelos de torneiras para vedação no mecanismo de abertura efechamento. Produzido em Aço Carbono ou Zamac com opções do elemento vedante emCouro ou PVC.INSTALAÇÃOPara a instalação do vedante será necessário a desmontagem da torneira já que ovedante é um componente interno da mesma. Após a desmontagem da torneira deve-sesubstituir o vedante desgastado pelo novo e montar a torneira novamente.ARMAZENAMENTOManter em local seco, arejado e livre de umidade.Peça com acabamento superficial, teste em salt spray 24h sem corrosão branca. ESPECIFICAÇÕES TÉCNICASCódigo 0067Descrição Vedante Aço 3/4”Bitola(pol.) 3/4"Dimensões (mm):*A 4,9*B 20,7*C 5,1*D 14,3*E 15,6*F 3,0Peso(Kg) 0,004Matéria Prima: SAE 1010/20 Código: 75649Marca: INCA

Informações importantes:

  • Preços e condições de pagamento válidos somente para compras no site www.extra.com.br.
  • Em caso de divergência de preços, o valor final considerado será o do Carrinho de Compras.
  • Imagens meramente ilustrativas.